000-000-0000
首页
|
/
产品中心
磨料
铁合金
紧固件
|
/
核心优势
加工设备
检测设备
|
/
营销中心
销售
售后
优惠
新闻资讯
|
/
关于我们
|
/
联系我们
中文
English
1/4
上一个
下一个
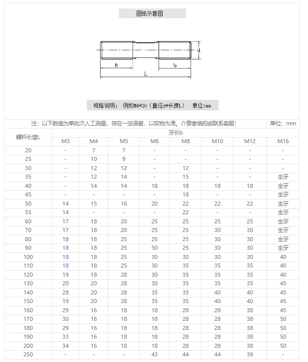
双头螺栓
分享
微信
新浪微博
QQ
QQ空间
豆瓣网
百度贴吧
13800000000
产品详情
双头螺栓也叫双头螺丝或双头螺柱。用于连接机械的固定链接功能,双头螺栓两头都有螺纹,中间的螺杆,有粗的也有细的。一般用于矿山机械,桥梁,汽车,摩托车,锅炉钢结构,吊塔,大跨度钢结构和大型建筑等。
全国统一服务热线
000-000-0000
产品中心
磨料
铁合金
紧固件
核心优势
加工设备
检测设备
营销中心
销售
售后
优惠
新闻资讯
关于我们
联系我们
关注我们
电话咨询:020-000000
QQ咨询:258506508
微信客服
扫码咨询